激光甲烷遥测仪是由发射单元和接收单元两部分构成,这两部分都集成在一个结构中。探头发送激光光束到远处反射面上,激光路径照射在可能泄露点的上方,接收器接收到反馈信号进行计算处理。遥测仪的设计基于TDLAS原理,基于甲烷的分子结构对于特定波长的光具有吸收性质,如果光路上有甲烷气 团存在,发射激光被部分吸收,接收器能够检测到光信号和光路上的气团分子数成比例的减少,从而精确快速计算出甲烷累计浓度含量,触发报警。
遥测仪由发射单元、接收单元、信号处理单元都设计在一个铝外壳体中,实测浓度显示在液晶显示器上、遥测仪可配备蓝牙无线输出(选配),测试浓度范围(0-100000ppm.m)

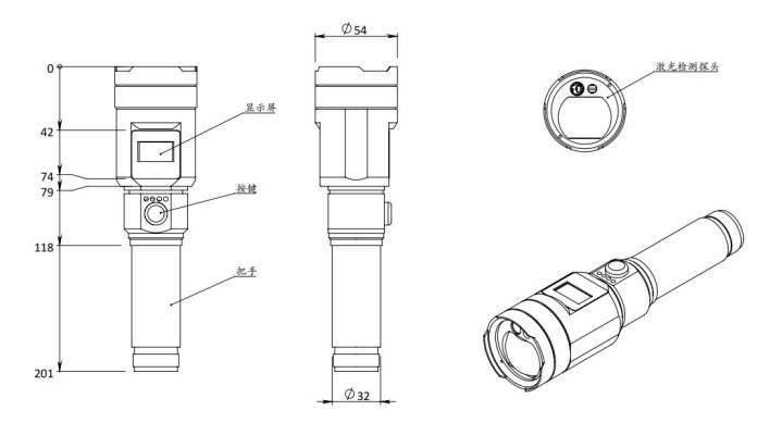
备注:设备使用的测试激光为不可见光,对人眼睛没有伤害,指示绿光为可见光,请不要直视。
设备能够在有危险气体环境中对所测气体灵敏、快速、稳定的响应。先进的开放式系统使用方便,内置窄带滤光片能有效防止阳光对信号的干扰。遥测仪自带换档机制,能够根据接收信号光的强弱自动调节档位。内部配有标准气室,防止激光器长时间波长不准确。
2.产品介绍
2.1 产品概述
激光甲烷遥测仪是检测甲烷泄露的遥测设备,主要应用于天然气石油管道、城市管廊天然气泄露检测。
一个按键
操作简单遥测仪设计1个按键,操作简单。
响应速度快
遥测仪测试速度快,每秒测试 200 次,反应时间 0.01s。
控制模块
控制模块采用遥测仪控制系统板,稳定可靠,方便维护。遥测仪实时显示甲烷浓度、温度、压力。
激光二极管
激光器二极管采用自主设计结构的发光二极管,功率强,穿透性强。
遥测仪外壳
采用铝制结构,表面氧化防腐处理,使用时测试点位选择是很重要的。例如在燃气管道接口处或是阀门集中处是理想的使用地方。此检测器适用于甲烷泄露检测,在密闭空间浓度大于5%·M 为遥测仪测 试浓度最大值。遥测仪也可以被稳定的安装在调节架上,适合用户用于扩展功能。
2.2 产品特点
1)产品连续使用时间20小时以上。
2)产品关机状态下,有效待机60天。
3)防护等级 IP65,耐腐蚀,抗跌落。
4)透镜非球面设计,红外增透膜
5)操作方便只有一个按键。
6)防水外壳设计,适合工业现场使用。
7)遥测仪内置蓝牙模块(选配),可以与手机 APP 实时通信。
8)遥测仪内部集成标准甲烷气室,可实时监测激光器状态,实现设备光谱校准。
2.3 遥测仪参数

尺寸图(mm)

2.4 功能介绍
遥测仪发射模块集成在探头内部,核心激光器是高精度激光器,激光由准直器二次聚光发射出去, 准直器前端利用高精度凸透镜汇聚发射光,保证在 50M以外光斑直径小于375px。二次准直是用来保证发 出的光信号足够强,减少阳光对接受光信号的干扰,提高信噪比。集成探头前窗设计有镀膜滤光片来过滤阳光中的杂光。
在特定的红外波长处接收模块接收到光信号并和发送时的光信号进行对比,根据被测试环境中的甲烷浓度会对光信号成比例的吸收,接收到的信号对比发送时的信号会得到吸收量,从而计算出被测环境气体的浓度值。最终的浓度值还要对环境温度及压力等进行补偿。
遥测仪用到的收光器件是1mm 接收元件,能够在宽温度范围内工作,自身带有滤光片能够抗阳光红外线干扰。高稳定性能的接收器提升了遥测仪整体的稳定性。
集成探头内部的接收单元包含信号接收电路,放大电路,信号处理电路等,中央处理器采用双核处理器,一个处理器是DSP处理器用于浮点运算,这样的设计能够精准高速的测试气体浓度。另一个处理器用于整个系统的功能控制,状态检测、通讯等。
2.5 气团浓度介绍
激光甲烷遥测仪检测的浓度是在激光传输有效路径上的气体累计浓度。通常情况下,反射型线型光束探测器系统不区分工作光路上局部区间内的气体浓度大小,即小范围高浓度气体和大范围低浓度气体的效果是一样的。传感器的单位是气体的平均浓度 ppm·m 或%LEL·m。下图描述1米的100%LEL的气团和2米的 50%LEL的气团和4米的25%LEL气团所测试的结果是相等的:
100%LEL*1M=50%LEL*2M=25%LEL*4M


2.6 工作光路要求
工作光路是指激光探头发出激光在被监视区域传输形成的空间路径。在探测区域内的激光光束和它周围的地区应保持空气交换连通,避免有物体阻挡激光光路。建议保证有从探头到被测试平面直径为 250px 或更大的无遮挡光束路径,不能打在空气中没有反射平面。




